歡迎來深圳市立維創展科技有限公司官方網站!
行業資訊
Ampleon小型蜂窩射頻電源解決方案B10G4750N12DL
發布時間:2023-12-08 08:53:43 瀏覽:2378
Ampleon是一家專注于射頻功率放大器和射頻電源解決方案的公司,提供各種規格和類型的蜂窩射頻電源解決方案,用于移動通信網絡中的基站和無線通信設備。Ampleon的小型蜂窩射頻電源解決方案針對不同的應用需求提供了高效、可靠的解決方案。這些解決方案通過提供穩定可靠的功率放大器和電源模塊,幫助用戶實現高質量、高性能的無線通信。
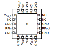
3級完全輸入和輸出匹配的集成LDMOS Doherty PA,采用7 x 7 mm LGA封裝
在小基站中作為最后級實現高增益和高效率,在驅動器模式下具有高線性度
緊湊、低成本的解決方案,具有出色的熱性能
專為采用超 VBW 的寬信號帶寬應用 (300 MHz) 而設計

B10G4750N12DL
3級完全輸入和輸出匹配的集成LDMOS Doherty PA,采用7 x 7 mm LGA封裝
小基站中的高增益和高效率作為最終級
緊湊、低成本的解決方案,具有出色的熱性能
專為寬帶操作而設計

推薦資訊
DEI線路驅動器?DEI1270A/DEI1271A雙極集成電路是雙線驅動器,設計適用于直接驅動ARINC429航空電子串行數字數據總線。DEI線路驅動器DEI1270A/DEI1271A將TTL/CMOS串行輸入數據轉換為ARINC數據總線的三電平RZ雙極差分調制格式。
HOLT HI-25850 3.3V工作電壓。MIL-STD-1553 / MIL-STD-1760 雙收發器,集成雙變壓器。低調設計。兼容1.8V、2.5V和3.3V的數字I/O,總線尾部補償。
在線留言