歡迎來深圳市立維創展科技有限公司官方網站!
行業資訊
JAN1N5195US軍用級開關二極管Microsemi
發布時間:2025-01-22 08:47:23 瀏覽:1572

1N5195是一款符合MIL-PRF-19500/118標準的軍用級開關二極管,以下是一些關鍵特性和參數:
設備型號:1N5195
認證等級:JAN, JANTX, JANTXV
最大額定值@25°C:
工作溫度:-65°C至+175°C
存儲溫度:-65°C至+175°C
浪涌電流(正弦波,8.3毫秒):2A
總功率耗散,25°C:500mW
最大工作電流,25°C:200mA
直流反向工作電壓(VRWM):180V
設計數據:
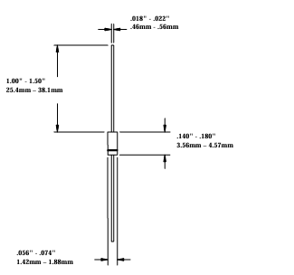
外殼:根據MIL-PRF19500/118 DO-35輪廓的密封玻璃封裝。
引線材料:銅包鋼。
引線表面處理:錫/鉛。
熱阻抗(ZθJX):最大70°C/W。
極性:帶環的陰極端。
Microsemi 是美國高可靠性電子元器件廠商,其軍級二三級管產品,被廣泛應用于全球高端市場,深圳市立維創展科技有限公司,授權代理銷售Microsemi軍級二三級產品,大量原裝現貨,歡迎咨詢。
推薦資訊
MICRON? DDR3 SDRAM在之前的DDR和DDR2 SDRAM上提供額外的傳輸速率。除去優質的性能指標,MICRON DDR3有一個較低的工作頻率范圍。結果顯示可能是應用領域更高的傳輸速率來執行系統,與此同時消耗相等或更少的系統輸出功率。
Solitron 2N5911/2N5912雙通道N溝道JFET專為寬帶差分放大器設計,采用TO-78封裝,適用于軍事應用,提供定制規格和匹配包裝選項。特點包括低噪聲水平(4.0 nV/√Hz)、低漏電流(小于10pA)和低輸入電容(5.0 pF)。這些特性使其在需要高性能、低噪聲和低漏電流的應用中表現出色,尤其適合精確的寬帶差分放大器。如需更多信息或定制需求,請直接聯系工廠。
在線留言