歡迎來深圳市立維創展科技有限公司官方網站!
行業資訊
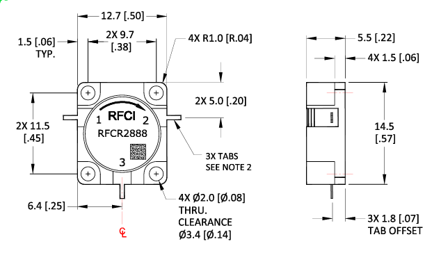
RFCR2888嵌入式X波段同軸環形器RFCI
發布時間:2025-02-21 13:40:56 瀏覽:942

RFCR2888是一款高性能的嵌入式X波段同軸環形器,專為需要高頻率、低損耗和高隔離度的應用設計。以下是該環形器的詳細介紹:
產品概述
RFCR2888環形器工作在X波段,頻率范圍從8000 MHz到10500 MHz,覆蓋了X波段的主要頻率。這種環形器在雷達、通信和電子對抗系統中有廣泛的應用,特別是在需要高頻率和高隔離度的場合。
機械特性
尺寸:該環形器的尺寸為12.7 mm(0.50英寸)寬,6.4 mm(0.25英寸)高,適合嵌入式安裝。
安裝:設計有4個直徑為1.5 mm(0.06英寸)的安裝孔,方便固定。
引腳:2個直徑為5.0 mm(0.20英寸)的引腳,3個引腳的偏移量為1.8 mm(0.07英寸),確保了良好的電氣連接和機械穩定性。
電氣性能
頻率范圍:8000 MHz至10500 MHz,覆蓋了X波段的主要頻率。
插入損耗:典型值小于0.35 dB,最大值0.50 dB,保證了信號傳輸的低損耗。
隔離度:最小值18 dB,典型值大于22 dB,提供了良好的信號隔離,防止信號干擾。
回波損耗:最小值18 dB,典型值大于22 dB,確保了良好的信號反射特性。
功率和溫度等級
正向功率:最大500/50瓦特,能夠承受高功率信號。
反向功率:最大35瓦特,適用于連續波(CW)操作。
工作溫度:-40至+85°C,適用于各種環境條件。
存儲溫度:-40至+95°C,確保了在極端溫度下的存儲安全。
應用
RFCR2888環形器適用于需要高頻率、低損耗和高隔離度的應用,如:
雷達系統:用于信號的分離和保護接收器。
通信系統:用于信號的隔離和方向控制。
電子對抗:用于信號的干擾和保護。
RFCI是一家專業生產射頻(RF)環行器和隔離器的公司,產品覆蓋了從50 MHz到20 GHz的頻率范圍,廣泛應用于通信和無線基礎設施。深圳市立維創展科技有限公司優勢代理銷售RFCI產品,歡迎咨詢了解。
推薦資訊
Minco云母熱箔?加熱器采用蝕刻箔元件夾層云母結構,通過夾緊安裝實現快速熱傳導,具有極端耐溫性(-150°C至600°C)和超高功率密度(110W/in2),UL認證降低終端設備合規成本,其快速預熱和真空兼容特性特別適用于半導體晶圓加工、PCR熱循環儀、食品工業密封設備及橡塑成型等高溫精密工藝,相比傳統云母帶加熱器可提升30%以上生產效率。
Lightspeed?新型Zulu 3的線纜采用Kevlar芯線,使其比標準線纜更堅固、更靈活、更輕。
在線留言